陶氏IntegraFlux?超濾膜組件由XP膜絲組成,該膜絲為高透水率、高機械強度的PVDF中空纖維膜絲。IntegraFlux超濾膜組件性能優異,具有業內優秀的膜面積、低能耗和低藥耗,并具有以下性能特點:
?高于前代超濾膜組件35%的透水率,較大提高運行效率和產量。
?0.03μm的公稱孔徑,可有效去除細菌、病毒以及包括膠體在內的顆粒,以保護反滲透(RO)等下游工藝。
陶氏IntegraFlux?超濾膜組件可應用于多種水處理應用領域,包括地表水、海水、工業廢水以及市政廢水等。
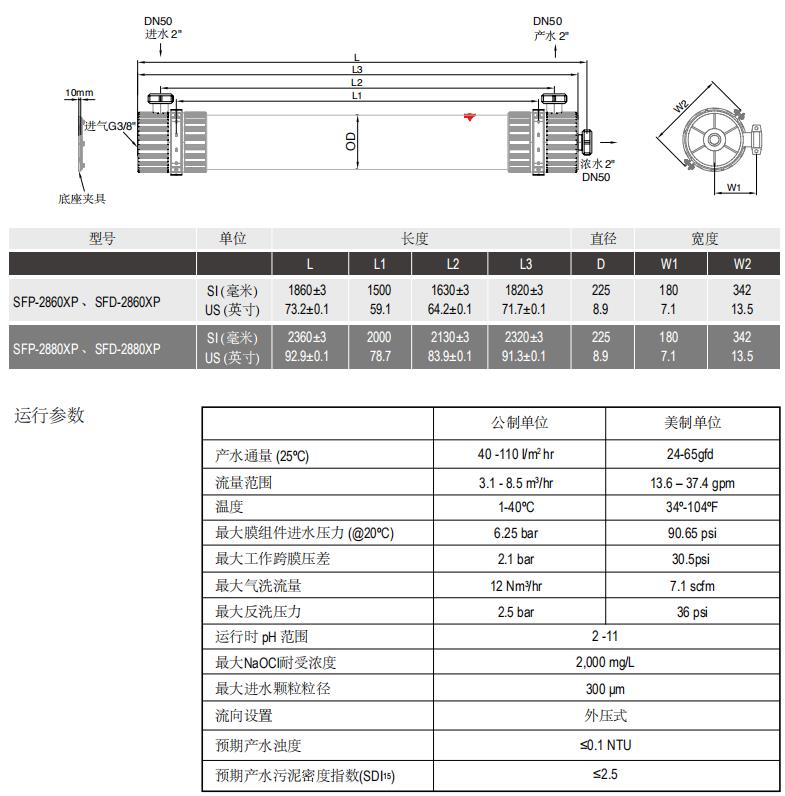
產品規格

監管注意
NSF/ANSI61和419注冊飲用水組件在生產飲用水之前要求特定的調試程序。請參考產品技術手冊特定程序中的沖洗部分。在一些國家,飲用水組件可能受到額外的監管限制。請在使用以及銷售之前核查當地監管指南和應用情況。